[4-1] | Элитный жилой комплекс | 2022
  • Название объекта: комплекс апартаментов премиум-класса Grand Royal Residences
  • Виды работ: генеральный план, проект благоустройства и озеленения, наружные сети водоснабжения и канализации, сети электроснабжения и освещения, сети связи, проект организации строительства ИОС1-5
  • Стадия проектирования: рабочая документация
  • Площадь объекта: 3,61 га
  • Срок реализации проекта: 90 дней
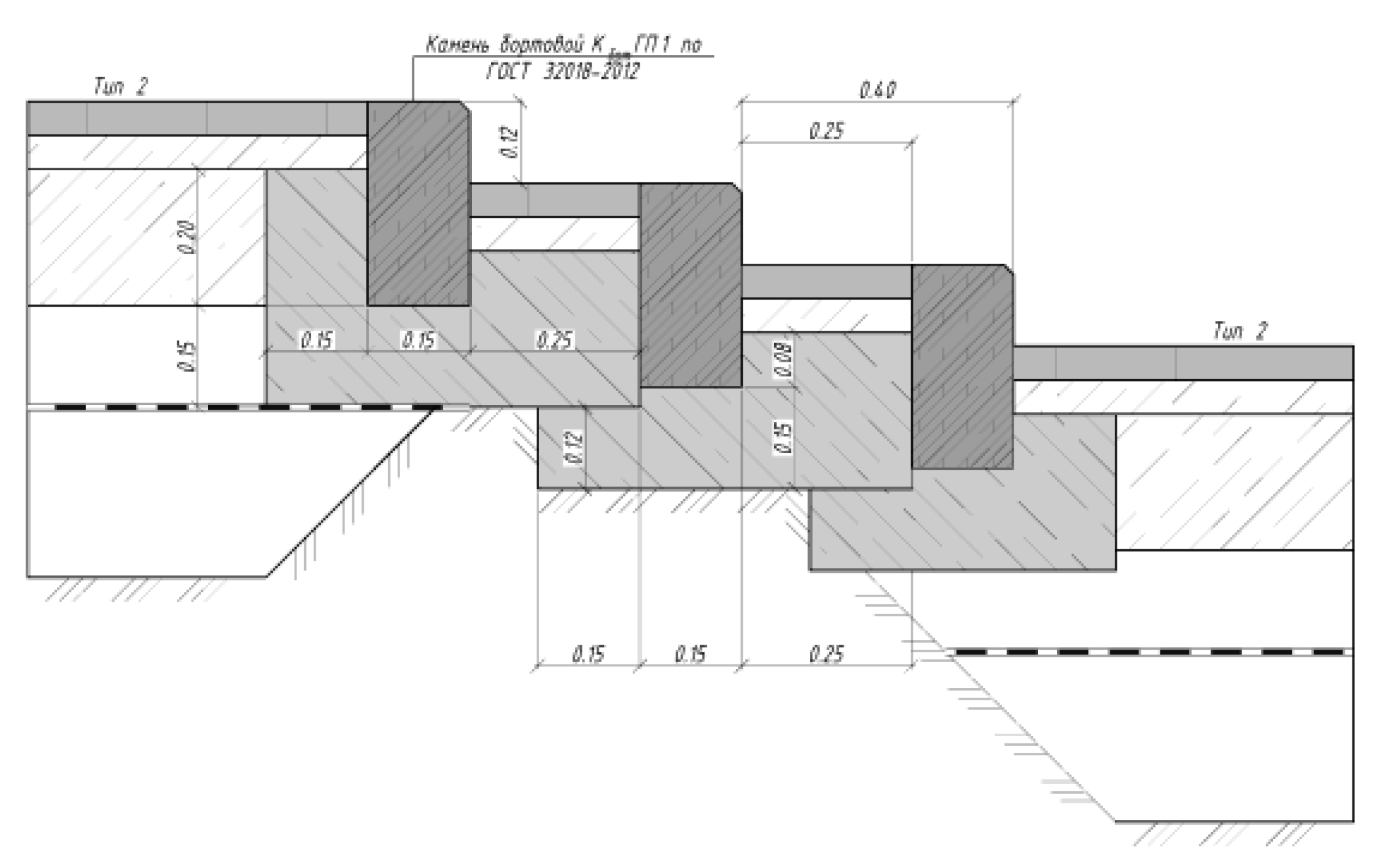
Поперечный разрез ступеней лестничного схода
Центральная лестница
Наборное панно